FX3u PLC 的硬件结构及选型
任务
- 学习 FX3U 的 CPU、输入输出模块、扩展模块
- 了解电源模块、通讯模块等
- 阅读FX3U的技术手册,熟悉模块编号和功能
- 了解FX3U PLC的电源接入方法
- 学习I/O模块接线方法,输入输出设备连接方法
- 了解与FX3U相关的常见外部设备(如传感器、电机)的接入方式
三菱 FX3U 系列之前的一些 PLC 型号

CPU
下面是 FX3U 各部分的各部分指示

[1] 上盖板
存储器盒安装在这个盖板的下方。 使用 FX3U-7DM (显示模块)时, 将这个盖板换成 FX3U-7DM 附带的盖板。[2] 电池盖板 电池(标配)保存在这个盖板的下方。
更换电池时需要打开这个盖板。[3] 连接特殊适配器用的卡扣(2 处) 连接特殊适配器时, 使用这个卡扣进行固定。
[4] 功能扩展板部分的空盖板 拆下这个空盖板, 安装
功能扩展板。[5] RUN/STOP 开关 写入(成批)顺控程序以及停止运算时, 置为 STOP (开关拨动到下方)。
执行运算处理(机械运行)时, 设置在 RUN (开关拨动到上方)。[6] 连接外围设备用的连接口 连接编程工具执行顺控程序。
[7] 安装 DIN 导轨用的卡扣 可以在 DIN46277 (宽度:
35mm)的 DIN 导轨上安装基本单元。[8] 型号显示(简称) 显示基本单元的型号名称。 请根据右侧的铭牌确认型号名称。
[9] 显示输入用的 LED (红) 输入( X000~)接通时灯亮。
[10] 端子排盖板 接线时, 可以将这个盖板打开到 90 度后进行操作。 运行(通电)时, 请关上这个盖板。
[11] 连接扩展设备用的连接口盖板 将输入输出扩展单元/模块以及特殊功能单元/模块的扩展电缆连接到这个盖板下面的连接扩展设备用的连接口上。可连接 FX3U 系列扩展设备、 FX2N 系列扩展设备、 FX0N 系列扩展设备。
[12] 显示运行状态的 LED 可以通过LED的显示情况确认可编程控制器的
运行状态。 在下表所示的情况下, LED 呈现灯亮 · 闪烁 · 灯灭。

- [13] 显示输出用的 LED (红) 输出( Y000~)接通时灯亮。

[14] 电源端子 对给基本单元供电的电源进行接线。
[15] 保护端子的盖板 在端子排的下层, 安装有保护端子的盖板(如图所示)。 (安装于 FX3U-○○M□/ES(S)、 DS(S)、 UA1 )这样手指不容易误碰到端子, 提高了安全性。
[16] 输入( X )端子 在端子上对传感器及开关进行接线。
[17] 拆装端子排用螺丝 需要更换基本单元时, 松开这个螺丝(左右各少许)后, 端子排上方会脱开。 ( FX3U-16M□ 不能拆装。)
[18] 端子名称 记载了电源、 输入、 输出端子的信号名称。
[19] 输出( Y )端子 在端子上对要驱动的负载(接触器, 电磁阀等)进行接线

[1] 连接特殊适配器用的连接口盖板 拆下这个盖板后, 将第1台特殊适配器连接到连接口(安装功能扩展板连接口盖板的时候)上。 未安装功能扩展板时, 没有连接口。
[2] 连接高速输入输出特殊适配器用的
连接口盖板拆下这个盖板后, 将第1台高速输入特殊适配器( FX3U-4HSX-ADP ), 或是高速输出特殊适配器( FX3U-2HSY-ADP )连接到连接口上。不能用于连接通信/模拟量/CF 卡特殊适配器。[3] 固定功能扩展板用的螺丝孔( 2 处) 是使用螺丝(功能扩展板产品中附带)固定功能扩展板所需的孔。由于出厂时, 安装了功能扩展板的空盖板, 所以请拆下盖板后进行安装。
[4] 铭牌 记载了产品型号名称、 管理号、 电源规格等。
[5] DIN 导轨安装槽可以安装在 DIN46277 (宽度:35mm)的 DIN 导轨上。
PLC 型号
基本单元

输入输出扩展单元

输入输出扩展模块

特殊功能单元/模块

IO

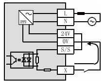
输入端子排信号
L:输入电源火线
N:输入电源零线
24V:PLC 自身 24V 电源输出正,可用于接小负载
0V:PLC 自身 24V 电源输出负( 0V ) S/S: 公共端 X0-X7 和 X10-X17 :PLC 输入信号端子,当 X 端子和 COM 短接时,视为接通(有信号输入)
- 漏型输入[ - 公共端] 当 DC 输入信号是从输入( X )端子流出电流然后输入时,称为漏型输入
连接晶体管输出型的传感器输出等时,可以使用NPN集电极开路型晶体管输出


- 源型输入[ + 公共端] 当 DC 输入信号是电流流向到输入( X )端子的输入时,称为源型输入
连接晶体管输出型的传感器输出等时,可以使用PNP集电极开路型晶体管输出


通过将[ S/S ]端子与[ 0V ]、[ - ]端子或是[ 24V ]、[ + ]端子中的一个连接,可以进行漏型·源型输入的切换。
AC 电源型的场合
- 漏型输入: 连接[ 24V ]端子和[ S/S ]端子
- 源型输入: 连接[ 0V ]端子和[ S/S ]端子
DC 电源型的场合
- 漏型输入: 连接[ + ]端子和[ S/S ]端子
- 源型输入: 连接[ - ]端子和[ S/S ]端子
输出端子排信号
输出端子可以把它们看作是一组一组的开关,当某个输出点有输出时,相应的开关就会闭合,电路就会形成回路,从而就会驱动相应的负载(比如电磁阀,继电器等)
例如下图,当 Y0 有输出时,PLC 内部触点闭合,电路导通,灯泡就亮。
注意:
三菱 PLC 的输出为无源输出触点,也就是说,如果没有外加电源,触点虽然闭合,一样也是没有电流流过。
请思考:
下图如果把 24V+ 去掉,当 Y0 有输出时,灯泡会不会亮?

上面我们了解了三菱 FX3U PLC 的硬件构成及输入输出端子排的定义及电气特性,下面我们就来总结一下PLC 硬件选型时还应该要注意哪些问题
选型注意事项
1、电源:国内 PLC 的输入电源电压一般分为两种:直流 24V 和交流 220V,当然,国外还有一些输入电源电压标准,如 110VAC。输入电源电压 24VDC 还是 220VAC,根据供电系统电压来选择,一般来说,不建议直接从动力电源直接取电,最好用隔离变压器把动力电源和控制电源隔离开来,同时做好滤波等抗干扰措施。
注意:
在我们开始给 PLC 上电时,应该看清楚 PLC 的输入电源电压范围,以免把 PLC 烧掉。
2、输入 X 端子信号:常用的三菱PLC输入电信号为低压信号,一般为 X 和 COM 短接就视为接通,切记,不要输入交流高压信号,如果外部信号为高压信号的,应该通过中间继电器转换,或者转换成低压信号后再接入 PLC 的输入端子。
3、输出:PLC 输出一般分为继电器输出和晶体管输出
1)继电器输出
优点: 可以通过相对大的电流(约为 2A 左右,具体请查三菱手册),通过电流的电压可以是 250VAC 也可以是 24VDC 以下缺点: 输出触点响应时间相对较慢,约为 10ms。在有需要高速脉冲输出控制(如需要控制步进或伺服系统时)时不能选用继电器输出类型的 PLC2)晶体管输出
优点: 输出触点响应时间快,约为0.2ms以下,经常应用在需要高速输出响应的系统里(高速脉冲输出控制步进电机或伺服系统)缺点: 只能通过30VDC以下的电压,通过电流小(约为500MA左右)
注意:
在需要用高速脉冲输出控制步进或伺服系统时,一定要选用晶体管输出类型
4、输入输出点数:所谓的输入输出点数指的是整个控制系统需要用到的PLC的输入点个数和输出点个数
一般来说,当然是预先设计好整套系统方案,然后算出所有的输入输出点个数,如果是第一次设计的方案,建议预留点数15%
在PLC选好了以后,接下来我们就要了解机械本体的各个检测和执行机构是怎么和PLC进行整体控制的
FX3U 常用扩展模块

特殊适配器
FX3U-4AD-ADP;输入用 FX3U-4DA-ADP;输出用 FX3U-3A-ADP2;输入输出用 FX3U-4AD-TC-ADP;热电偶输入用 FX3U-4AD-PT-AD;PPt100 输入用 FX3U-4AD-PTW-ADP;Pt100 输入用 FX3U-4AD-PNK-ADP;Pt1000,Ni1000 输入用通讯特殊适配器 FX3U-ENET-ADP3;Ethernet 通讯用 FX3U-232ADP-MB4;RS-232C(MODBUS) 通讯用 FX3U-485ADP-MB4;RS-485(MODBUS) 通讯用 CF 卡 特殊适配器 FX3U-CF-ADP*2;收集数据用高速输入输出特殊适配器 FX3U-4HSX-ADP;高速输入用 FX3U-2HSY-ADP;高速输出用
FX3U PLC常用软元件



指令
基本指令

| 指令 | 说明 |
|---|---|
| STL | 步进梯形图的开始 |
| RET | 步进梯形图的结束 |
程序流程
| 指令 | 说明 |
|---|---|
| CJ | 条件跳转 |
| CALL | 子程序调用 |
| SRET | 子程序返回 |
| IRET | 中断返回 |
| EI | 允许中断 |
| DI | 禁止中断 |
| FEND | 主程序结束 |
| WDT | 看门狗定时器 |
| FOR | 循环范围的开始 |
| NEXT | 循环范围的结束 |
传送 比较

四则·逻辑运算

循环·移位

数据处理

高速处理

便捷指令

外围设备I/O

外围设备(选件设备)

数据传送2

浮点数运算



数据处理2

定位

时钟运算

数据块的处理

字符串控制

触点比较
