防触电技术
学习目标
- 掌握绝缘、屏护、保持安全距离等防直接接触触电技术
- 熟练掌握 IT、TT、TN 三大系统的防触电技术措施
- 正确分析和区别保护接地与保护接零
- 掌握系统接地的各项注意事项
- 掌握双重绝缘、使用安全电压等防触电措施
- 熟练掌握漏电保护装置的类型、原理、接线及其应用
重点:
- 01 绝缘、屏护与安全距离等防直接接触触电技术
- 02 防间接接触触电的 IT、TT、TN 三大系统的分析及应用
- 03 漏电保护装置的原理、接线及应用
难点:
- 01 IT、TT、TN 三大系统的分析及应用
- 02 漏电保护装置的接线及应用
防直接接触电技术
绝缘
良好的绝缘是保证电气设备和线路正常运行的必要条件,也是防止人体触及带电体的安全保障。
将带电体进行绝缘
- 要选用合格的设备和导线
- 要加强设备检查,发现问题及时处理。
| 高压设备及附件的绝缘 | 任压设备的绝緣 |
|---|---|
![]() | ![]() |
绝缘材料
固体绝缘材料:包括瓷、玻璃、云母、石棉等属于无机绝缘材料;橡胶、塑料、纤维制品等属于有机绝缘材料。
液体绝缘材料:包括矿物油、硅油等。
气体绝绿材料:包括六氟化硫、氮等。

干式变压器(固体绝缘)

油浸式变压器(液体绝缘)

六氟化硫负荷开关(气体绝缘)
绝缘性能
要求绝缘材料具有电性能、热性能、力学性能、化学性能、吸潮性能、抗生物等性能。
绝缘击穿:绝缘体在强电场等因素作用下,的现象叫绝缘击穿;

绝缘老化:在运行过程中,收到热、电、光、氧、机械力、微生物等因素的长期作用,导致其电气性能和机械性能逐渐,叫绝缘老化。

绝缘检测
绝缘电阻试验、耐压强度试验、泄漏电流试验和介质损耗试验

绝缘电阻测试仪

外观检查:绝缘结构物理性能的观察和检查。
屏护
屏护是用遮拦、护罩、护盖、箱闸等,防止人员触及和过分接近带电体。
屏护可以防止触电、防止短路及短路火灾、防止机械破坏,且便于安全操作。在屏护上应。

| 高压设备的屏护 | 任压设备的屏护 |
|---|---|
![]() | ![]() |
遮拦
| 永久性防护 | 临时性屏护 |
|---|---|
| 配电装置遮拦 | 检修时的临时遮拦 |
![]() | ![]() |
对于高压设备,由于接近到一定程度时就会发生触电事故,不论设备是否有绝缘,均应采取屏护或其他防止接近的措施。
屏护作用
屏护的主要作用是防止人员直接接触带电部分或电气设备外露的导电部分,从而降低触电的风险。其作用可以归纳为以下几点:
防止直接接触带电部分:通过设置屏护,能够有效阻止人员误触带电部件或电气设备外露的导电部分,保障操作人员的安全。
提供物理隔离:屏护不仅限于防止触电,还能提供物理隔离,防止工作人员或人员进入潜在危险区域,特别是在高压设备周围。
改善设备维护和检修环境:通过合适的屏护,确保在设备维护时不会发生误操作或由于人员进入危险区域而导致的触电事故。
提升电气设备的防护等级:在电气设施的设计中,屏护常常用于提高电气设备的防护等级(如IP等级),确保设备在特殊环境下的安全性。
屏护设置场所
屏护的设置场所通常包括但不限于以下几个区域:
配电室和变电站:这些地方是高压电气设备的集中区域,屏护用于防止工作人员接触到高压设备和危险部位。
工业现场和电气设备区域:如电气控制柜、电气控制面板等,工作人员可能因操作或故障而接近带电体,屏护可有效防止意外触电。
电气装置的外部环境:如电气设施安装在开放区域,屏护用于防止外部人员误接触带电部分,尤其是高压设备。
危险设备周围:如升降设备、传输设备等,屏护常被用于防止人员进入操作危险区域,避免机械设备或电气系统引发的安全事故。
屏护的规格及安全要求
为了确保屏护措施的有效性,必须遵守一定的规格和安全要求:
物理防护性:
- 屏护设施应具有足够的坚固性,能抵抗外力撞击而不被破坏,尤其在高压、强电流环境中。
- 屏护设备应无锐边、尖角,避免因操作不当导致人员受伤。
隔离性:
- 屏护应能够有效隔离带电部分与外部人员之间的接触,确保设备周围区域的工作人员无法触及带电部分。
- 对于具有高电压或危险电流的设备,屏护的设计应考虑可能的接触风险和保护力度。
通透性与可见性:
- 屏护的材质应有一定的通透性,以便工作人员能够清晰看到电气设备的状态和警告标识。透明的屏护材料(如聚碳酸酯、亚克力)常被应用于此类场合。
- 屏护设计应考虑到视野的清晰度,避免因材料的遮挡而影响设备的正常监控和维修操作。
符合国际标准:
- 屏护的规格和设计应符合相关国际安全标准和国家标准(如IEC、GB标准等)。例如,设备的防护等级应符合IPXX标准,特别是在户外或湿气较大的环境下。
耐用性:
- 屏护装置的材质应具备较高的耐用性,适应不同环境的变化,如温度、湿度、化学物质等,不容易老化或受损。
安装要求:
- 屏护的安装应符合设计要求,确保其牢固、稳定,并能经得起长期的使用。特别是高压设备和关键设施,屏护必须定期检查和维护,以确保其有效性。
便于操作和检修:
- 屏护装置应方便维修和更换,且在日常使用中应确保操作人员能够方便地执行必要的检修工作,同时不影响设备的正常运作。
通过对屏护的适当设置、合理规划和规范执行,可以显著提升电气设备和工作人员的安全性,减少触电事故的发生,并为电气设备的正常运行提供有力保障。
安全距离
为了防止人体触及或接近带电体,防止车辆或其他物体碰撞或接近带电体等造成危险,在带电体与地面之间,带电体与其他设备和设施之间、带电体与带电体之间保持的一定空间距离,。
- 架空线路的安全距离
架空线不管是绝缘线还是裸导线,架空导线与地面,与各种工程设施、建筑物、树木,以及与其他线路之间,还有同杆架设的多回路横担之间,均应保持一定的安全距离。

- 配电装置安全距离
室内室外配电装置之间以及各种通道之间都要保持相应的安全距离,高压配电装置与低压配电装置应分室装设。
防间接接触电技术
保护接地和保护接零
接地保护和保护接零是防间接接触触电的基本技术措施
保护接地
将电气设备的金属外壳或配电装置的金属构架等外露可接近导体与接地装置相连。利用接地装置足够小的接地电阻值,降低故障设备外壳可导电部分对地电压,减小人体触及时流过人体的电流,达到防止电击的目的。
保护接地常用在IT低压配电系统和TT低压配电系统的型式中。

保护接零
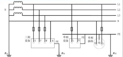
在中性点直接接地的低压系统中,将电气设备的金属外壳直接与系统的中性线(零线)相连。工作接地适用于TN低压配电系统型式,当设备正常工作时,外露部分不带电,人体触及外壳相当于触及零线,无危险。

IT、TT、TN 系统
接地(接零)保护系统的型式文字代号
第一个字母表示电力系统的对地关系(
工作接地)T-直接接地 I-所有带电部分与地绝缘,或一点经阻抗接地。
将金属外壳用保护接地线( PEE )与接地极直接连接的叫接地保护
第二个字母表示装置的外露可接近导体的对地关系(
保护接地)T-外露可接近导体对地直接作电气连接,此接地点与电力系统的接地点无直接关连;即保护接地。
N-外露可接近导体通过保护线与电力系统的接地点(零线)直接作电气连接,即保护接零。如果后面还有字母,表示中性线( N )与保护线( PE )的组合
S-中性线和保护线是分开的 C-中性线和保护线是合一的
当将金属外壳用保护线( PE )与保护中性线( PEN )相连接的则称之为接零保护。
1、IT 系统 IT 系统的电源中性点不接地或经 1kΩ 阻抗接地,通常不引出 N 线,属于三相三线制系统。 
2、TT 系统 TT 系统的电源中性点直接接地,并引出有 N 线,属三相四线制系统,设备的外露可导电部分均经与系统接地点无关的各自的接地装置单独接地。 
3、TN 系统 TN 系统是指电源中性点通过直接接地或通过接地电阻接地,而其设备的外露可导电部分通过接地线(PE 线)直接与电源的接地系统相连接。
分为三种类型:
TN-S 系统:在这种系统中,零线( N 线)和接地保护线( PE 线)是分别引出的,二者在任何情况下都不连接。这种配置减少了因为接地不良或共用接地线可能导致的设备外壳带电的风险。
TN-C 系统:零线和接地保护线( PE 线)在电源进入设备前合二为一,形成一个公共的导体。尽管这种方式能够减少电缆使用,但它在某些情况下可能导致由于零线故障引发的电气安全问题,特别是在电气干扰较多的环境中。
TN-C-S 系统:结合了 TN-S 系统和 TN-C 系统的特点。零线和接地线在进入建筑物之前共用一条线路( TN-C ),然后在建筑物内分开( TN-S )。这种系统兼顾了电气安全性和成本效益。
接地装置
在建筑物内,等电位联结的主要作用是需要将建筑物内的金属管道、支架、桥架、电缆铠装层等。这种连接对于保护人身安全和设备正常运行具有重要意义,可以有效地防止雷击、电磁干扰和电化学腐蚀等问题。
保护导体及等电位联结
其他防触电技术
双重绝缘
工作绝缘(基本绝缘)
带电体与不可触及导体之间的绝缘,保证设备正常工作和防止电击的基本绝缘。
保护绝缘(附加绝缘)
不可触及导体与可触及导体之间的绝缘,是当工作绝缘损坏后用于防止电击的绝缘。

安全电压
额定值
在一定条件下,一定时间内不危及生命安全的电压,我国标准规定,我国规定的安全电压额定等级为交流42V、36V、24V、12V、6V,直流安全电压上限是120V。
安全电压的应用
- 在
特别危险环境使用的携带式电动工具应 - 在有
电击危险的环境使用的手持照明灯或局部照明灯应 - 在
地点狭窄、行动不便以及周围有大面积接地导体等工作环境 水下作业等特殊场所应- 当电气设备时,必须采取
直接接触电击的防护措施
漏电保护( RCD )

定义
主要用于防止间接接触电击和直接接触电击,也可用于防止漏电火灾,以及用于检测一相接地故障。
组成
漏电保护器( RCD )主要包括检测元件(零序电流互感器)、中间环节(包括放大器、比较器、脱扣器等)、执行元件(主开关)以及试验元件等几个部分。 

原理
主要是基于电流平衡的原理。在正常情况下,火线(相线)和零线(中性线)中的电流是相等的,方向相反,因此它们之间的电流矢量和为零。漏电保护开关内部有一个零序电流互感器,它会检测火线和零线中的电流差。
如果电路中出现漏电,即电流通过人体或其他导电体流向大地,那么火线中的电流就会大于零线中的电流,导致电流矢量和不再为零。这时,零序电流互感器会检测到这个电流差,并触发漏电保护开关内部的脱扣机构,迅速切断电路,从而避免人体触电事故的发生。


应用
- 属于I类的移动式电气设备及
手持式电动工具 - 安装在潮湿、强腐蚀性等恶劣场所的
电气设备 - 建筑施工工地的电气
施工机械设备 - 暂设临时用电的电器设备
- 宾馆、饭店及招待所的客房内
插座回路 - 机关、学校、企业、住宅等建筑物内的插座回路
- 游泳池、喷水池、浴池的
水中照明设备 - 安装在水中的供电线路和设备
- 医院中直接接触人体的电气
医用设备 - 其它需要安装漏电保护器的场所





